薄型法蘭球閥
產品名稱:薄型法蘭球閥

主要零件材料Materials of main parts
材料名稱材料名稱Material Name | Q41F-(16-64)C | Q41F-(16-64)P | Q41F-(16-64)R |
閥體Body | WCB | ZG1Cr18Ni9Ti CF8 | ZG1Cr18Ni12Mo2Ti CF8M |
閥蓋 Bonnet | WCB | ZG1Cr18Ni9Ti CF8 | ZG1Cr18Ni12Mo2Ti CF8M |
球體Ball | 1Cr18Ni9Ti 304 | 1Cr18Ni9Ti 304 | 1Cr18Ni12Mo2Ti 316 |
閥桿 Stem | 1Cr18Ni9Ti 304 | 1Cr18Ni9Ti 304 | 1Cr18Ni12Mo2Ti 316 |
密封圈Sealring | 聚四氟乙烯Polytetrafluoroethylene(PTFE) | ||
填料Gland Packing | 聚四氟乙烯Polytetrafluoroethylene(PTFE) | ||
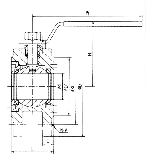
主要外形尺寸 Main outer size(PN16)
DN | d | L | D | K | D1 | C | H | N-Φ | W |
15 | 15 | 35 | 95 | 65 | 46 | 10 | 65 | 4-M12 | 100 |
20 | 20 | 37 | 105 | 75 | 56 | 11 | 70 | 4-M12 | 110 |
25 | 25 | 42 | 115 | 85 | 65 | 12 | 80 | 4-M12 | 125 |
32 | 32 | 53 | 135 | 100 | 76 | 14 | 90 | 4-M16 | 150 |
40 | 38 | 62 | 145 | 110 | 85 | 16 | 96 | 4-M16 | 160 |
50 | 50 | 78 | 160 | 125 | 100 | 17 | 104 | 4-M16 | 180 |
65 | 58 | 90 | 180 | 145 | 118 | 18 | 110 | 4-M16 | 200 |
80 | 76 | 110 | 198 | 160 | 132 | 18 | 130 | 8-M16 | 250 |
100 | 90 | 134 | 215 | 180 | 156 | 19 | 145 | 8-M16 | 270 |
125 | 100 | 197 | 245 | 210 | 185 | 22 | 180 | 8-M18 | 320 |
150 | 125 | 231 | 480 | 240 | 207 | 24 | 200 | 8-M23 | 320 |
性能規范Specifications
公稱壓力: PN1.6,2.5,4.0,6.4MPa
強度試驗壓力: PT2.4,3.8,6.0,9.6MPa
低壓氣密封試驗壓力:0 6MPa
適用介質: Q41F-(16-64)C 水、油品、氣
適用溫度 : -29~ 180℃
適用介質: Q41F-(16-64)P 硝酸類
Q4 1F-( 16-64 )R 醋酸類
Nominal pressure: PN 1.6,2.5,4.0,6.4MPa
Strength testing pressure: PT2.4,3.8,6.0,9.6MPa
Seat testing pressure (low pressure): 0.6MPa
Applicable media:
Q41F-(16-64)C Water.Oil.Gas
Applicable temperature:-29~ 180℃
Q41F-(16-64)P Ntric acid
Q41F-(16-64)R Acetic acid